Feature :
- Sakelar ukuran besar memiliki tegangan dan daya tahan kabel yang besar
- Tipe operasi dua arah, bisa diterapkan dari kedua arah
- Disediakan dua kontak untuk berhenti dan alarm
- Jenis dengan pelat penunjuk operasi tersedia
- Tipe tahan api dan dust-ignition tersedia
Specification :
|
Tipe |
Lihat produk dihalaman berikutnya |
|
|
Lampiran |
Tipe ELAW |
Tahan Cuaca, IP67 |
|
Tipe ELAM |
Tahan Api, d2G4 |
|
|
Tipe ELADP |
Dust-Ignition Proof, SDP13 |
|
|
Kontak |
2C |
|
|
Kapasitas |
15A-125, 250VAC, 1/2A-125VDC |
|
|
Torsi Operasi |
49±9.8N (5±1kgf) |
|
|
Lead Outlet |
Tipe ELAW |
Cable size ø6∼ø12 |
|
Tipe ELAM |
G3/4 |
|
|
Tipe ELADP |
G3/4 |
|
|
Suhu |
Tipe ELAW |
-20ºC∼+60ºC |
|
Tipe ELAM |
-10ºC∼+40ºC |
|
|
Tipe ELADP |
-10ºC∼+40ºC |
|
|
warna lapisan |
Munsell 7.5GY 6/10 |
|
|
Indicating Plate Munsell 5R 4/13 |
||
Action of Switch :
|
Tipe |
Tindakan Beralih |
Keterangan |
|
ELAW-21 |
|
tuas tipe self-reset diatur ulang
ke posisi awal saat kabel tarik dilepaskan (*1) tingkat ELAW-21 bergerak ke
75º |
|
ELAW-31 |
untuk tipe reset manual, tuas
dikunci pada 30º kemiringan dan direset dengan mengoperasikan tuas penyetelan ulang atau pelat penunjuk |
|
|
ELAW-61P |
tuas tipe ELAW - 61P dikunci pada
|
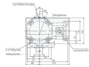
Appreance & Dimension :
ELAW-21 : Tahan Cuaca; IP67; 1,7 Kg; Tipe Self Reset
ELAW-31 : Tahan Cuaca; IP67; 1,8 Kg; Reset Manual
ELAW-61P : Tahan Cuaca dengan plat indicator; IP67; 2 Kg; Reset Manual
ELAM-21W : Tahan Api; d2G4; 12 Kg; Self-Reset
ELAM-31W : Tahan Api; d2G4; 12 Kg; Reset Manual
ELAM-61PW : Tahan Api; d2G4; 12 Kg; Reset Manual

.jpg)
.jpg)
.jpg)
.jpg)
.jpg)
.jpg)
.jpg)
.jpg)
.jpg)
.jpg)
.jpg)
.jpg)
Dimana saya bisa mendapatkan produk matsusima elaw 31?
BalasHapus